《车用驱动电机及控制技术》是新能源汽车技术专业一门具有较强理论性与实践性的综合性核心课程,本课程主要介绍各类车用电机及相关的控制技术,涉及电学、磁学、力学、电子学等多门学科,理论比较抽象,高职员工学习有一定难度;将抽象的车用电机控制技术变为摸得着的感性认识是行之有效的教学手段,其重要环节就是突出实践性,让员工实训有乐趣,有成就,引领员工主动学习。
下面就车用驱动电机控制电路实训谈谈几点心得。
一、精心准备实训项目,合理安排实训。
目前根据公司的实际情况,车用驱动电机控制技术借用电工电子实训室展开实践教学,实训内容包括检修交流电机、制作交流电机直接起动控制线路板、电机的点动控制线路板、交流电机减压起动控制线路板、电机的正反转控制线路板、电机的自锁、互锁控制线路板、电机的启动减速控制线路板等一系列实践项目,项目安排先易后难,循序渐进,员工容易上手。
考虑实训项目的工作量,采取分组实训,每组2~3人比较合理。
二、正确引导,员工为主体,学中做,做中学。
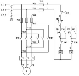
下面以“接触器联锁的三相异步电动机正反转控制”线路制作为例来说说。

接触器联锁的三相异步电动机正反转控制接线图
该线路板的基本原理是通过接触器控制交流电机对换相序来实现电机正反转对换,该线路板制作主体是员工,老师主要起传授、辅导作用,员工边做边学可以很轻松地掌握识图、接线、检测等相关技能及交流电机正反转工作原理。
识图是员工的基本功,老师提出要求,员工看图接线,元器件相互对照,容易培养识别电路图的能力,容易明白控制的原理;个别员工看图有困难的,老师对照实物指导,员工容易接受;其次为避免不合格元件混入线路中造成故障,同学们必须学会检测元器件及线路,养成检查线路板的习惯。
三、锻炼员工解决问题的能力,激发员工的好奇心,求知欲。
“接触器联锁的三相异步电动机正反转控制”线路板做好后一定要通电调试,电机动起来员工兴趣大,在保证安全前提下可以由员工通电启动,如不能正常运行,员工很想知道哪里坏了,在断电情况下允许员工检查,老师只做启发性的提示。
电机不能正常运转可能是线路故障,也可能是保险、按钮、交流接触器、电机内部故障,员工根据由简单到复杂、由线路到元件、由外到内的原则亲自排除,电机正常运行后,同学们成功喜悦油然而生。
四、结果评定很重要。
项目完成后,根据小组完成结果及个人表现情况评定,实训成绩分优、良、中、及格、不及格五个档次,这个环节是对员工实训结果的充分肯定,起到激励鞭策的作用,对于实训完成不好的小组要给他们补过的机会,不能一棒子打死。
五、处理好实训细节,形成良性循环,激励员工主动实训。
上实训课要发挥员工骨干的带头作用,带出几个小师傅,学习气氛会明显改善,指导压力会减轻。
实训项目由小组内同学独立完成,不能其它同学包办。
对于因故不能完成的同学,要及时给于启发帮助。
在课内确实不能完成项目的同学,允许课余、课外制作。
项目完成得好的同学,可以奖励更多实训项目给他们做,无需强制要求所有员工同一时间完成一样的项目,实训过程中多数同学不会服输,组与组之间相互竞争,形成良性循环。
六、举一反三,拓展应用能力。
通过实训同学们熟悉了交流电机电路及控制原理,在老师引导下,员工“举一反三”,将检修技能应用到家用风扇等单相交流电器的修理,从而开阔眼界,拓展能力,增加学习本课程的兴趣。

17新能源1班邱锦同学正在修理家用风扇